Norsat International Inc.
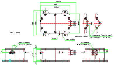
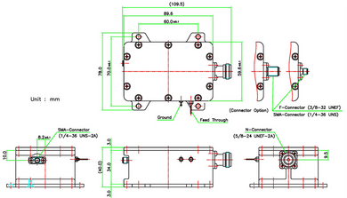
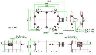
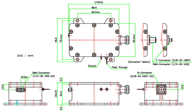
KEY SPECIFICATIONSBandKu-BandExternal Ref Freq10 MHz, -5 to +5 dBmInput Frequency Band 111.70 - 12.20 GHzLO Frequency 110.75 GHzLO StabilityExt RefNoise Figure15 dB max.Output Frequency Band 1950 - 1450 MHzReference TypeExternal ReferenceRF...