Norsat International Inc.
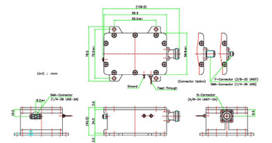
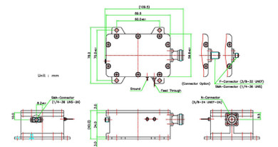
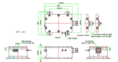
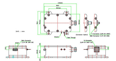
Norsat’s Block Downconverters (BDCs) provide high performance signal conversion for satellite communication.KEY SPECIFICATIONSBandKa-BandInput Frequency Band 121.20 - 22.20 GHzLO Frequency 120.25 GHzLO Stability±50 kHz max.Noise Figure18 dB max. at...