Norsat International Inc.
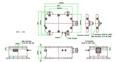
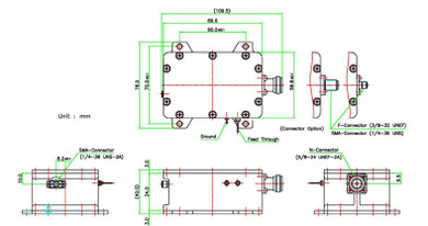
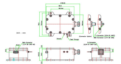
Norsat’s Block Downconverters (BDCs) provide high performance signal conversion for satellite communication.KEY SPECIFICATIONSBandX-BandExternal Ref Freq10 MHz (sine-wave), +/- 5 dBmInput Frequency Band 18.00 - 8.70 GHzLO Frequency 17.05 GHzLO...