Norsat International Inc.
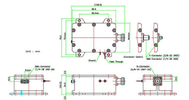
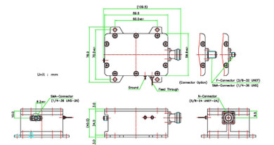
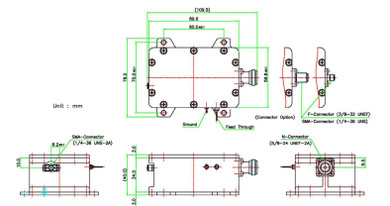
Norsat’s Block Downconverters (BDCs) provide high performance signal conversion for satellite communication.KEY SPECIFICATIONSBandKa-BandInput Frequency Band 119.20 - 20.20 GHzLO Frequency 118.25 GHzLO Stability±50 kHz max.Noise Figure18 dB max. at...