Norsat International Inc.
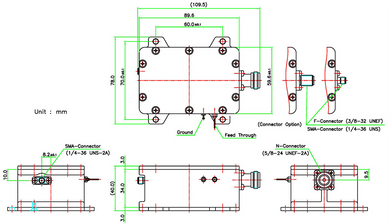
KEY SPECIFICATIONSBandKu-BandExternal Ref Freq10 MHz, -5 to +5 dBmInput Frequency Band 112.20 - 12.70 GHzLO Frequency 111.25 GHzLO StabilityExt RefNoise Figure15 dB max.Output Frequency Band 1950 - 1450 MHzReference TypeExternal ReferenceRF...