Norsat International Inc.
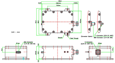
KEY SPECIFICATIONSBandKu-BandExternal Ref Freq10 MHz, -5 to +5 dBmInput Frequency Band 111.70 - 12.75 GHzLO Frequency 110.75 GHzLO StabilityExt RefNoise Figure15 dB max.Output Frequency Band 1950 - 2000 MHzReference TypeExternal ReferenceRF...