Norsat International Inc.
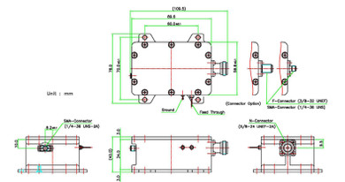
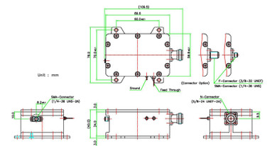
Norsat’s Block Downconverters (BDCs) provide high performance signal conversion for satellite communication.KEY SPECIFICATIONSBandKa-BandInput Frequency Band 120.20 - 21.20 GHzLO Frequency 119.25 GHzLO Stability±50 kHz max.Noise Figure18 dB max. at...