Norsat International Inc.
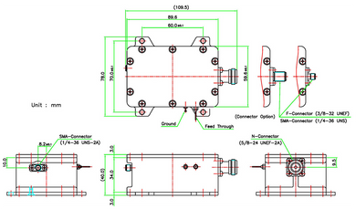
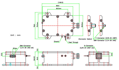
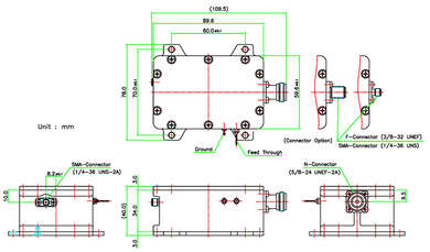
KEY SPECIFICATIONSBandKa-BandInput Frequency Band 121.20 - 22.20 GHzLO Frequency 116.25 GHzLO Stability10 kHz max.Noise Figure18 dB max.Output Frequency Band 1950 - 1950 MHzReference TypeInternal ReferenceRF SPECIFICATIONSConversion Gain Max28 dB...