Norsat International Inc.
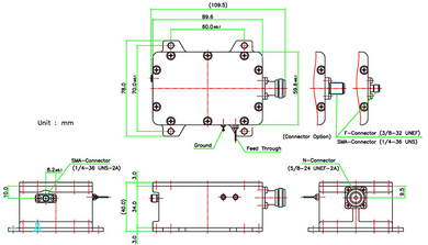
KEY SPECIFICATIONSBandKa-BandExternal Ref Freq10 MHz, -5 to +5 dBmInput Frequency Band 117.20 - 18.20 GHzLO Frequency 116.25 GHzLO StabilityExt RefNoise Figure18 dB max.Output Frequency Band 1950 - 1950 MHzReference TypeExternal ReferenceRF...