Norsat International Inc.
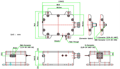
KEY SPECIFICATIONSBandKu-BandInput Frequency Band 111.70 - 12.75 GHzLO Frequency 110.75 GHzLO Stability10 kHz max.Noise Figure15 dB max.Output Frequency Band 1950 - 2000 MHzReference TypeInternal ReferenceRF SPECIFICATIONSConversion Gain Max23 dB...