Norsat International Inc.
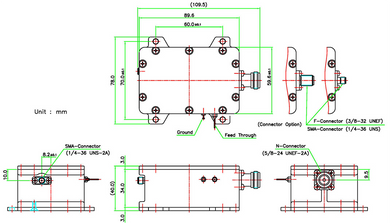
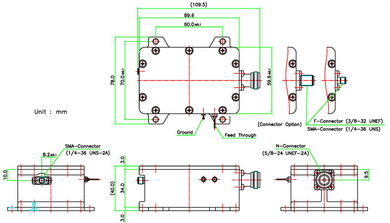
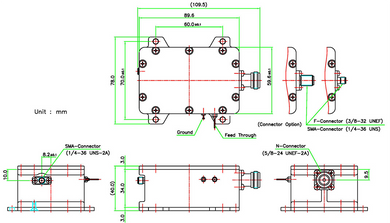
KEY SPECIFICATIONSBandKu-BandInput Frequency Band 112.20 - 12.70 GHzLO Frequency 111.25 GHzLO Stability10 kHz max.Noise Figure15 dB max.Output Frequency Band 1950 - 1450 MHzReference TypeInternal ReferenceRF SPECIFICATIONSConversion Gain Max23 dB...