Norsat International Inc.
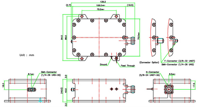
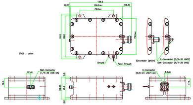
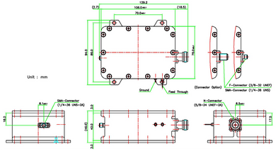
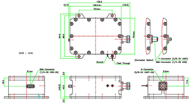
KEY SPECIFICATIONSBandC-BandExternal Ref Freq10 MHz, -5 to +5 dBmInput Frequency Band 14.50 - 4.80 GHzLO Frequency 15.95 GHzLO StabilityExt RefNoise Figure10 dB max.Output Frequency Band 11150 - 1450 MHzReference TypeExternal ReferenceRF...