Norsat International Inc.
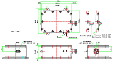
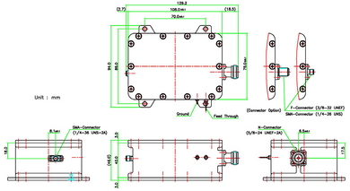
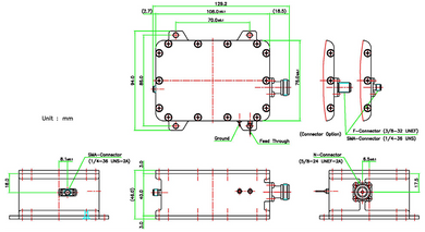
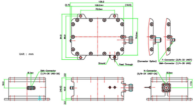
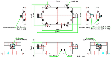
KEY SPECIFICATIONSBandC-BandExternal Ref Freq10 MHz, -5 to +5 dBmInput Frequency Band 14.50 - 4.80 GHzLO Frequency 15.95 GHzLO Stability25 kHz max.Noise Figure10 dB max.Output Frequency Band 11150 - 1450 MHzReference TypeInternal ReferenceRF...