Norsat International Inc.
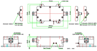
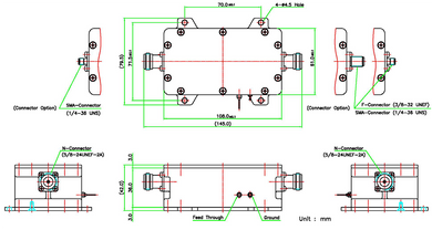
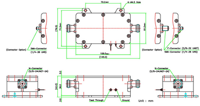
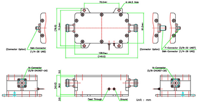
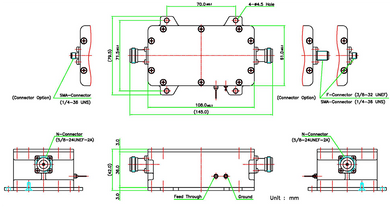
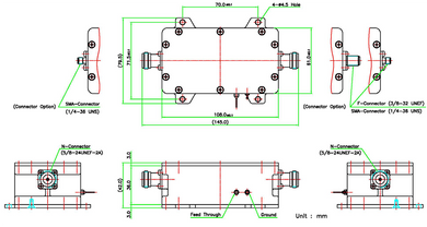
KEY SPECIFICATIONSBandX-BandExternal Ref Freq10 MHz, -5 to +5 dBmInput Frequency Band 17.25 - 7.75 GHzLO Frequency 16.3 GHzLO StabilityExt RefNoise Figure13 dB max.Output Frequency Band 1950 - 1450 MHzReference TypeExternal ReferenceRF...