Norsat International Inc.
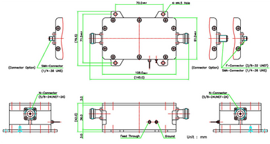
KEY SPECIFICATIONSBandX-BandInput Frequency Band 17.25 - 7.75 GHzLO Frequency 16.3 GHzLO Stability5 kHz max.Noise Figure13 dB max.Output Frequency Band 1950 - 1450 MHzReference TypeInternal ReferenceRF SPECIFICATIONSConversion Gain Max33 dB...