Norsat International Inc.
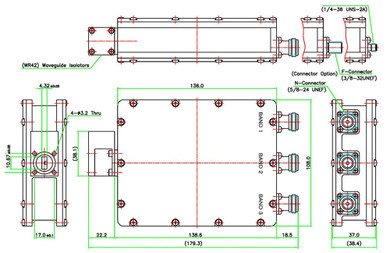
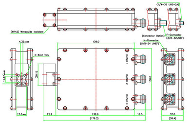
KEY SPECIFICATIONSBandKa-BandExternal Input PortSMA ConnectorExternal Ref Freq10MHz, -5 to +5dBmInput Frequency Band 118.20 - 19.20 GHzInput Frequency Band 219.20 - 20.20 GHzInput Frequency Band 320.20 - 21.20 GHzLO Frequency 117.25 GHzLO Frequency...