Norsat International Inc.
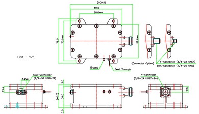
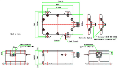
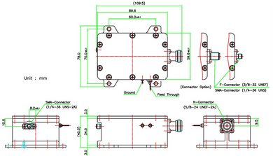
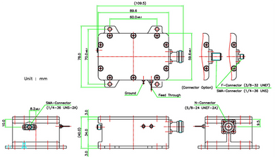
KEY SPECIFICATIONSBandC-BandExternal Ref Freq10 MHz, -5 to +5 dBmInput Frequency Band 11150 - 1450 MHzLO Frequency 15.275 GHzOutput Frequency Band 16.425 - 6.725 GHzOutput Power Rated50WReference TypeExternal ReferenceRF SPECIFICATIONSGain Flatness...