Norsat International Inc.
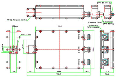
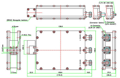
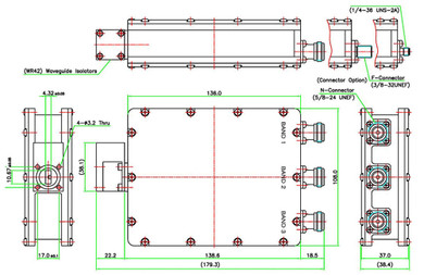
KEY SPECIFICATIONSBandS-BandInput Frequency Band 12100 - 2500 MHzNoise Figure45K max.RF SPECIFICATIONSConversion Gain Max65 dB Conversion Gain Min50 dB Conversion Gain Typ60 dB Gain Flatness2 dB p-pGain Ripple (At Per 36Mhz)1 dB p-pInput VSWR2.0 :...