Norsat International Inc.
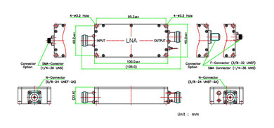
KEY SPECIFICATIONSBandL-BandInput Frequency Band 11400 - 1600 MHzNoise Figure45K max.RF SPECIFICATIONSConversion Gain Max65 dB Conversion Gain Min50 dB Conversion Gain Typ60 dB Gain Flatness2 dB p-pGain Ripple (At Per 36Mhz)1 dB p-pInput VSWR2.0 :...