Norsat International Inc.
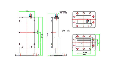
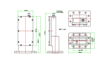
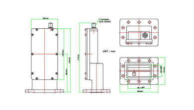
KEY SPECIFICATIONSBandC-BandInput Frequency Band 13.40 - 4.20 GHzLO Frequency 15.15 GHzLO Stability±150 kHzLO TypePLLNoise Figure Max30K Noise Figure Typ25KNumber Of Onboard LosSingle-BandOutput Frequency Band 1950 - 1750 MHzRF...