Norsat International Inc.
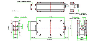
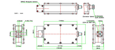
Norsats Low Noise Blocks (LNBs) provide signal reception for satellite communications around the world. We offer premium performance and reliability in the smallest form factor possible. All of our standard Ka-Band LNBs are backed by a 3 year warranty...