Norsat International Inc.
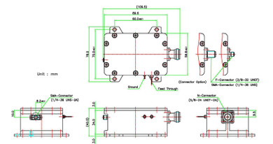
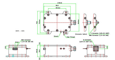
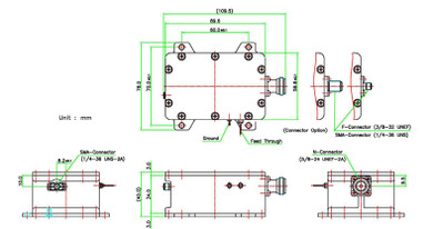
Norsat’s Block Downconverters (BDCs) provide high performance signal conversion for satellite communication.KEY SPECIFICATIONSBandKa-BandExternal Ref Freq-5 to +5 dBmInput Frequency Band 121.20 - 22.20 GHzLO Frequency 120.25 GHzLO StabilityExt...