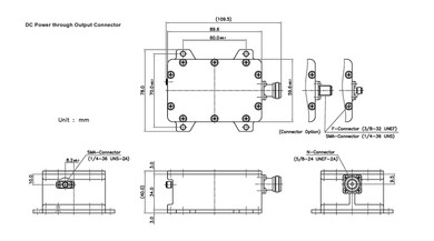
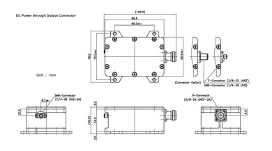
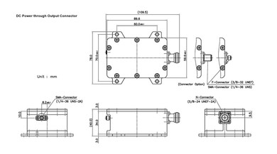
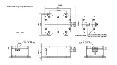
Norsat International Inc.
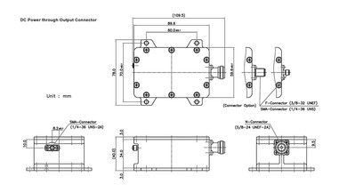
Norsat’s Block Downconverters (BDCs) provide high performance signal conversion for satellite communication.KEY SPECIFICATIONSBandKu-BandInput Frequency Band 112.25 - 12.75 GHzLO Frequency 111.30 GHzLO Stability±30 kHzNoise Figure15 dB max. at room...